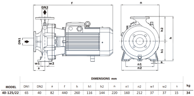
Центробежный насос Purity PSTG-R5 40-125/22
Насос используется в промышленности для циркуляции горячих масел в контурах обогрева и охлаждения. Для непрерывной работы насоса не требуется подводить дополнительное охлаждение.
Центробежный насос серии PSTG-R5 имеет общий вал и одно рабочее колесо из чугуна. Конструкция насоса моноблочного типа с прямым присоединением двигатель-насос, патрубки фланцевые.
Мощность насоса Purity PSTG-R5 40-125/22 составляет 2.2 кВт, напряженине 380 В. Насос обеспечивает максимальный напор 20 м, максимальную производительность - 40 м³/ч.
Характеристики
Дополнительная вкладка, для размещения информации о магазине, доставке или любого другого важного контента. Поможет вам ответить на интересующие покупателя вопросы и развеять его сомнения в покупке. Используйте её по своему усмотрению.
Вы можете убрать её или вернуть обратно, изменив одну галочку в настройках компонента. Очень удобно.


